Products
SC805
Swipe left and right more
※ SC805
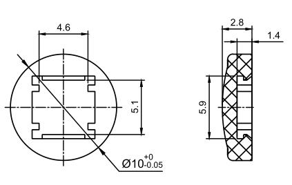
| SC8 series for 6×6 illuminated tact switch | |
| Color: | Ivory |
※ DIAGRAM





khancn3
